QS 138 90H 4000W QS138A-90 72V V1 PMSM Mid Drive Motor
QS 138 90H 4000W QSD138A-90 72V V1 PMSM Mid Drive Motor
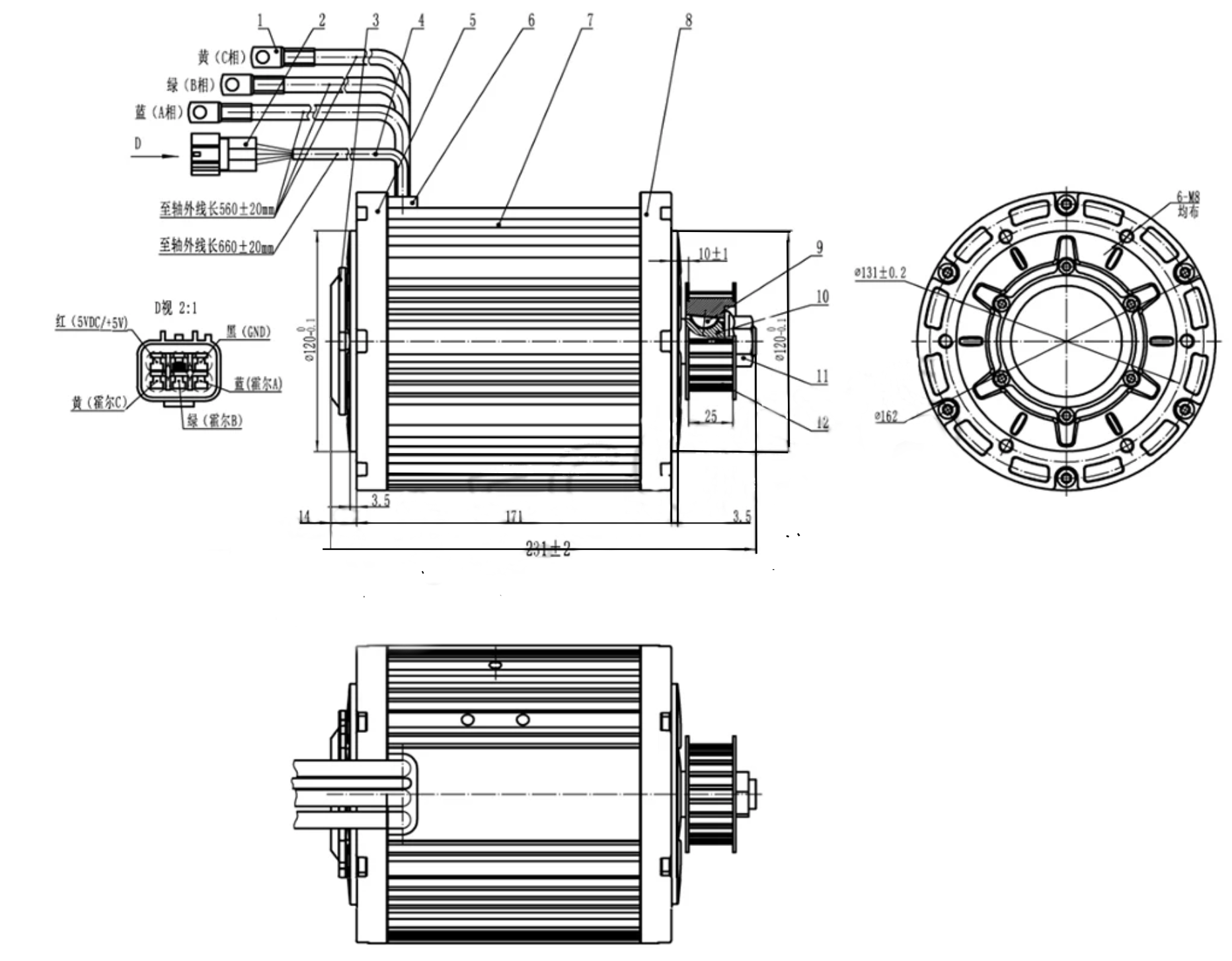
It can be designed as belt driven(Default)and sprocket design(Optional).
Specifications:

Drawing:










